|
|
Joined: Oct 2011
Posts: 275 Likes: 22
Master
|
OP
Master
Joined: Oct 2011
Posts: 275 Likes: 22 |
Finding signals takes time,I finished part of the work,Please refer to the definition of U9,I found the power supply and negative,The negative pole of Intel 8255 is not pin P8,But I think it should be a similar MCU The J2 interface is based on my current signal trend,It looks like it is communicating with U9,Read or write EEPROM via U9 ![[Linked Image]](https://www.ebme.co.uk/forums/ubbthreads.php/ubb/download/Number/748/filename/00.JPG)
daisizhou#sina.com (#=@)
|
|
|
|
|
Joined: Feb 2004
Posts: 14,798 Likes: 71
Super Hero
|
Super Hero
Joined: Feb 2004
Posts: 14,798 Likes: 71 |
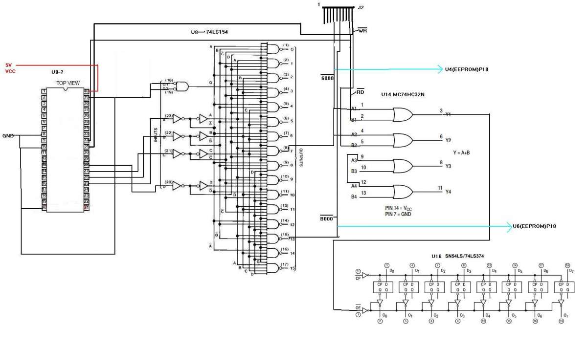
At first glance it seems that, in the Intel 82xx series of that era, only the 8255 (Parallel I/O Interface) and 8237 (Direct Memory Access - DMA - Controller) had forty pins.
Another candidate from those days could be the National Semiconductor 8250 UART chip ("one of the most prolific and most cloned UART chips", apparently ... and now lots of stuff on line), which also came in a forty-pin DIL package. Pin 20 is Ground, Pin 40 is +5 VDC.
UART:- Universal Asynchronous Receiver/Transmitter. An integrated circuit for implementing the interface for serial communications (eg, RS-232).
If you don't inspect ... don't expect.
|
|
|
|
|
Joined: Oct 2011
Posts: 275 Likes: 22
Master
|
OP
Master
Joined: Oct 2011
Posts: 275 Likes: 22 |
I found a strange phenomenon,If the airflow is from back to front,RT200 cannot display data,is this normal?Or my connection is incorrect? ![[Linked Image]](https://www.ebme.co.uk/forums/ubbthreads.php/ubb/download/Number/749/filename/333333.jpg)
daisizhou#sina.com (#=@)
|
|
|
|
|
Joined: Feb 2004
Posts: 14,798 Likes: 71
Super Hero
|
Super Hero
Joined: Feb 2004
Posts: 14,798 Likes: 71 |
Which Function Codes are you using there? Try 46 to 48.
See page 5-4 of the May 1988 manual.
If you don't inspect ... don't expect.
|
|
|
|
|
Joined: Feb 2004
Posts: 14,798 Likes: 71
Super Hero
|
Super Hero
Joined: Feb 2004
Posts: 14,798 Likes: 71 |
Assuming that one of those forty-pin devices must be the microprocessor ... well, the Intel 8088 (also 8080 and 8086) came in a forty-pin DIL package. And, looking at the image of the underside of the main board, once again it looks like U9 has the most connections ... so I'm going for that one as the microprocessor. It is also the one nearest to the EPROMS!
Other chips:-
HD74LS04P (U17, U19):- Hex Inverter (x4) SN74LS32N (U23):- Quad 2-Input OR Gates SN74LS153N (U11):- Dual 4-line to 1-line Data Selector/Multiplexer SN74LS393N (U18):- Dual 4-bit Binary Counter
HN462732G (U1-U6):- 8-bit 32 KB EPROM
Already noted:-
74LS154 (U8):- "1-of-16" Decoder/Multiplexer MM74HC32N (U14):- Quad 2-Input OR Gate SN74LS374N (U15, U16, U21, U22):- x8 clocked flip-flops
If you don't inspect ... don't expect.
|
|
|
|
|
Joined: Oct 2011
Posts: 275 Likes: 22
Master
|
OP
Master
Joined: Oct 2011
Posts: 275 Likes: 22 |
If it is Intel 8088 series MCU,Looks no error.At least there are currently no conflicts,I searched for the real thing about 8088 and it really looks a lot like it ![[Linked Image]](https://www.ebme.co.uk/forums/ubbthreads.php/ubb/download/Number/750/filename/8088.JPG) After finishing the work at hand, I will continue to look for signals,I hope other information can help me confirm whether it is 8088 Today I bought a professional flow meter,It is said to be a maintenance tool for the Dräger anesthesia machine or ventilator.I plan to use it to compare rt200 traffic. ![[Linked Image]](https://www.ebme.co.uk/forums/ubbthreads.php/ubb/download/Number/751/filename/meter.jpg)
Last edited by daisizhou; 24/03/21 3:25 PM.
daisizhou#sina.com (#=@)
|
|
1 member likes this:
John Sandham |
|
|
|
|
Joined: Feb 2004
Posts: 14,798 Likes: 71
Super Hero
|
Super Hero
Joined: Feb 2004
Posts: 14,798 Likes: 71 |
I wonder how clean the sensors (and tubing) are inside the Flow Module. It's best to use a filter on the High Flow inlet port if possible.
If you don't inspect ... don't expect.
|
|
|
|
|
Joined: Oct 2011
Posts: 275 Likes: 22
Master
|
OP
Master
Joined: Oct 2011
Posts: 275 Likes: 22 |
Yes, it looks cleaner,I prepared the filter,I am waiting for a high pressure joint.The original connector is missing ![[Linked Image]](https://www.ebme.co.uk/forums/ubbthreads.php/ubb/download/Number/752/filename/1111111111111.jpg) ![[Linked Image]](https://www.ebme.co.uk/forums/ubbthreads.php/ubb/download/Number/753/filename/222222222222222.jpg)
daisizhou#sina.com (#=@)
|
|
|
|
|
Joined: Oct 2011
Posts: 275 Likes: 22
Master
|
OP
Master
Joined: Oct 2011
Posts: 275 Likes: 22 |
Low pressure range data ![[Linked Image]](https://www.ebme.co.uk/forums/ubbthreads.php/ubb/download/Number/754/filename/low pressure.JPG)
daisizhou#sina.com (#=@)
|
|
|
|
|
Joined: Feb 2004
Posts: 14,798 Likes: 71
Super Hero
|
Super Hero
Joined: Feb 2004
Posts: 14,798 Likes: 71 |
If you don't inspect ... don't expect.
|
|
|
|
2 members (daisizhou, Ed SWM),
1,291
guests, and
24
robots. |
|
Key:
Admin,
Global Mod,
Mod
|
|
|
Forums26
Topics11,248
Posts74,481
Members10,357
| |
Most Online37,242 Apr 12th, 2026
|
|
|
|